|
Wiring Diagrams
|
|
09-20-2006, 05:39 AM
Post: #1
|
|||
|
|||
|
Wiring Diagrams
I hope someone here can assist me.
In the US we have a AFM AE86 Corolla with retracable head lights and its LHD and Analog Cluster. Well I converted mine to RHD and I have all JDM wiring front to back now so my engine setup is running MAP now. What I need is the wiring schematics for a JDM AE86 Trueno with an Analog gauge cluster. I know in the UK you guys got both Truen/Levin Digital and Analog clusters. Right now my head lights and a few other electric pieces are not working and this would really cut time on troubleshooting if I could get the wiring colors etc. Thanks Joel |
|||
|
09-20-2006, 09:27 AM
Post: #2
|
|||
|
|||
|
Wiring Diagrams
I do have the wiring diagrams of the EU hachi which runs MAP. However I still didn't have time to scan/photograph it completely.
I'll have a look tonight if I can find out which ones I already did.
1983 - AE86 Sprinter Trueno - import project 2013 - Honda Civic sport - daily driver 2004 - AEU86 dot ORG - daily domain Support our forum, buy from the AEU86 shop:
|
|||
|
09-20-2006, 09:39 AM
Post: #3
|
|||
|
|||
|
Wiring Diagrams
Yes I have a feeling I might need it. It would really help to have the wiring diagrams so I will know what wire goes where and what color it is. Other wise it will take me forever trying to troubleshoot the issue. Also if I take it to a wiring place they said that they would need the JDM diagrams which i'm assuming are the same as a UK diagram?
JDM AE86 ZENKI TRUENO 3 DOOR ANALOG CLUSTER is what I have for wiring. |
|||
|
09-20-2006, 10:43 AM
Post: #4
|
|||
|
|||
|
Wiring Diagrams
Europe didnt get the trueno officially I believe.
There wouldnt be any wiring diagrams for a UK/EU retractable headlight model. The only digital dashs about should only be JDM imports. |
|||
|
09-20-2006, 05:42 PM
Post: #5
|
|||
|
|||
|
Wiring Diagrams
Idd. The EU manual doesn't cover the retracable headlights but it does cover the MAP sensor.
Hachilife used to have the US manual online as well, but it is not fully accessable anymore: http://www.driftfactory.com/86manual.php So combining those two would solve it. I'll see if I can find any way to mirror it or something.
1983 - AE86 Sprinter Trueno - import project 2013 - Honda Civic sport - daily driver 2004 - AEU86 dot ORG - daily domain Support our forum, buy from the AEU86 shop:
|
|||
|
09-20-2006, 09:01 PM
Post: #6
|
|||
|
|||
|
Wiring Diagrams
To bad I cant find a Japanese Manual even if it is in Japanese the wiring can be understood since the color codes, +, -, etc.
I do wonder if the wiring you guys have in your Levins is the same as JDM Levin wiring meaning same part number. |
|||
|
09-20-2006, 09:24 PM
Post: #7
|
|||
|
|||
|
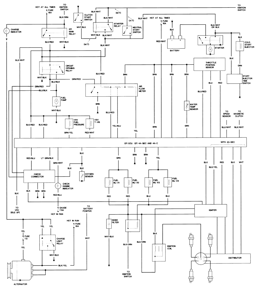
Wiring Diagrams
Joel here are some diagramms i think will help you :wink:
AE86 FANATIC!!! |
|||
|
09-20-2006, 09:39 PM
Post: #8
|
|||
|
|||
|
Wiring Diagrams
Okay. I've currently got the EFI system and the wiring routing, so roughly that's about 25 pages...
However they say nothing about color coding. 1983 - AE86 Sprinter Trueno - import project 2013 - Honda Civic sport - daily driver 2004 - AEU86 dot ORG - daily domain Support our forum, buy from the AEU86 shop:
|
|||
|
09-21-2006, 01:02 AM
Post: #9
|
|||
|
|||
|
Wiring Diagrams
Well I'll take anything I can get somethign is better than nothing!
alimonos - thanks for those I've saved them I'll be printing them out at work! |
|||
|
09-21-2006, 08:59 AM
Post: #10
|
|||
|
|||
|
Wiring Diagrams
I'll post them tonight then.
![]() Edit: here they are.
1983 - AE86 Sprinter Trueno - import project 2013 - Honda Civic sport - daily driver 2004 - AEU86 dot ORG - daily domain Support our forum, buy from the AEU86 shop:
|
|||
|
« Next Oldest | Next Newest »
|
| Possibly Related Threads... | |||||
| Thread | Author | Replies | Views | Last Post | |
| Tail light wiring... | Mylesmck | 4 | 2,970 |
02-02-2024 12:36 PM Last Post: Mylesmck |
|
| Lambda sensor wiring | sam3007 | 10 | 7,904 |
05-23-2022 10:00 PM Last Post: The Doctor |
|
| 4A-GE wiring engine to chassis connectors | Lykowsky | 4 | 9,325 |
06-20-2019 11:38 AM Last Post: Lykowsky |
|
| Some wiring help needed | DJexor | 5 | 7,251 |
05-18-2019 01:50 PM Last Post: DJexor |
|
| AE86 Headlight + wiper wiring (levin) | bozu | 11 | 20,692 |
09-19-2017 02:06 PM Last Post: banpei |
|
User(s) browsing this thread: 1 Guest(s)




![AEU86 AE86 - Wiring Diagrams [Image: AEU86 AE86 - Wiring Diagrams]](https://www.aeu86.org/sticker-banner-468.gif)

