|
EDM GT-S Cluster, PWR light VSV?
|
|
06-25-2017, 02:19 PM
Post: #1
|
|||
|
|||
|
EDM GT-S Cluster, PWR light VSV?
Another day, another gripe!
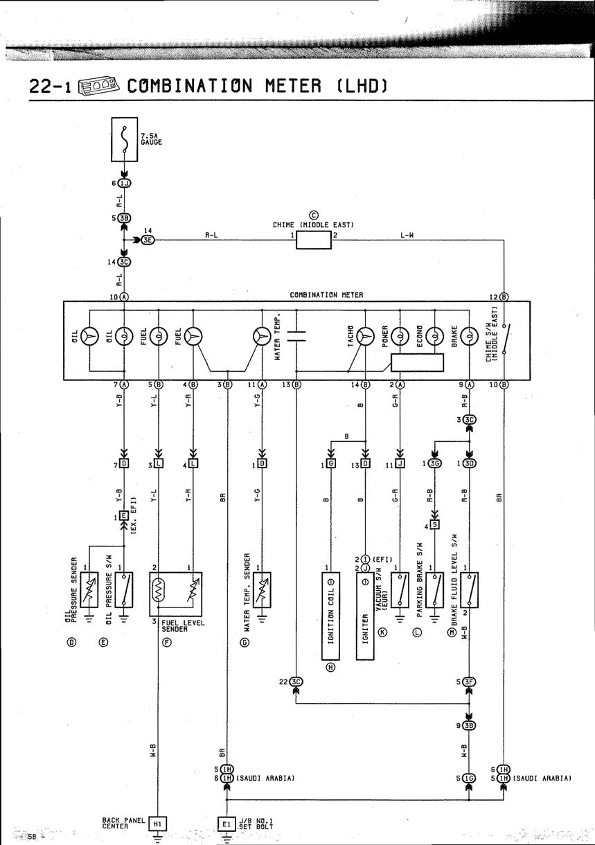
I want this PWR light (Novelty item, I know) working (Since I have it, and it`s cool): I know which wire it is, #2 Green-Red: I traced it to the engine bay K plug: And according to the wiring diagram it should be like so: Problem is though, I looked at the placement of all stuff in engine bay: And I`ve found VSV for T-VIS, 12v power supply Black-Red wire on 14P (G) plug on Junction Box No.4, Ground via #9 pin on ECU 18P (at around 4500rpm). I`ve found idle VSV that is controlled by Idle-Up Computer. And I`ve found the secondary A/C idle VSV. But I cannot find any earthed VSV (K plug) for the PWR lamp... Any takers?
1x AE86 84` Zenki Coupè Levin 4A-GE 20v 1x AE86 83' Zenki Coupe Levin 4A-GE 16v 1x TA60 82' Sedan 2T 8V 1x TA40 78` MK1 Zenk/Pre-Facelift Wagon 4A-GE 16v |
|||
|
06-25-2017, 08:00 PM
(This post was last modified: 06-25-2017 09:57 PM by Rascal21.)
Post: #2
|
|||
|
|||
|
EDM GT-S Cluster, PWR light VSV?
Ah, finally I was able to access a proper EPC and found the elusive Vacuum switch!
Now to get one ![]() Case closed! Edit: Picture of how it looks like and parts number, for future reference to others: Parts name and number: SWITCH ASSY, VACUUM(FOR ECONOMETER) 83391-16020 1x AE86 84` Zenki Coupè Levin 4A-GE 20v 1x AE86 83' Zenki Coupe Levin 4A-GE 16v 1x TA60 82' Sedan 2T 8V 1x TA40 78` MK1 Zenk/Pre-Facelift Wagon 4A-GE 16v |
|||
|
« Next Oldest | Next Newest »
|
| Possibly Related Threads... | |||||
| Thread | Author | Replies | Views | Last Post | |
| EUDM gauge cluster | banpei | 22 | 11,295 |
08-15-2023 10:48 PM Last Post: banpei |
|
| ECON and PWR light troubleshooting | magpie | 3 | 3,702 |
07-18-2023 01:28 PM Last Post: banpei |
|
| EUDM cluster revelations | banpei | 1 | 2,626 |
06-23-2023 09:11 AM Last Post: r.ave |
|
| PWR light issue and no brake fluid after winter storage | magpie | 10 | 6,401 |
05-25-2023 08:09 AM Last Post: Bean |
|
| Custom Dash Cluster | kazi | 14 | 26,415 |
10-24-2017 09:05 PM Last Post: kazi |
|
User(s) browsing this thread: 1 Guest(s)



